首页
关于我们
溶媒回收/精馏
工艺流程设计
项目
设备
填料
塔内件
废气处理
工艺流程设计
装置
催化剂载体
大孔氢氧化铝粉
活性氧化铝
质量控制
加入我们
联系我们
English
首页
关于我们
溶媒回收/精馏
工艺流程设计
项目
设备
填料
塔内件
废气处理
工艺流程设计
装置
催化剂载体
大孔氢氧化铝粉
活性氧化铝
质量控制
加入我们
联系我们
中
EN
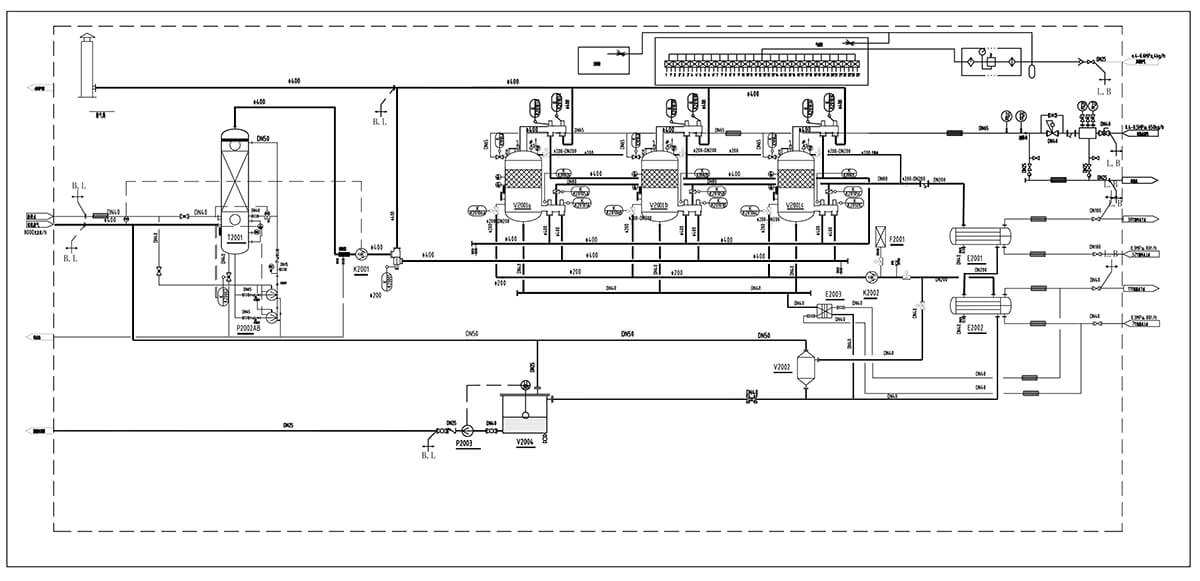
废气处理
废气处理
工艺流程设计
装置
工艺流程设计
首页
>
废气处理
>
工艺流程设计
Copyright © 2024 北京凯文特化工科技有限公司版权所有.
京ICP备17034193号-1
13581977951
关注我们